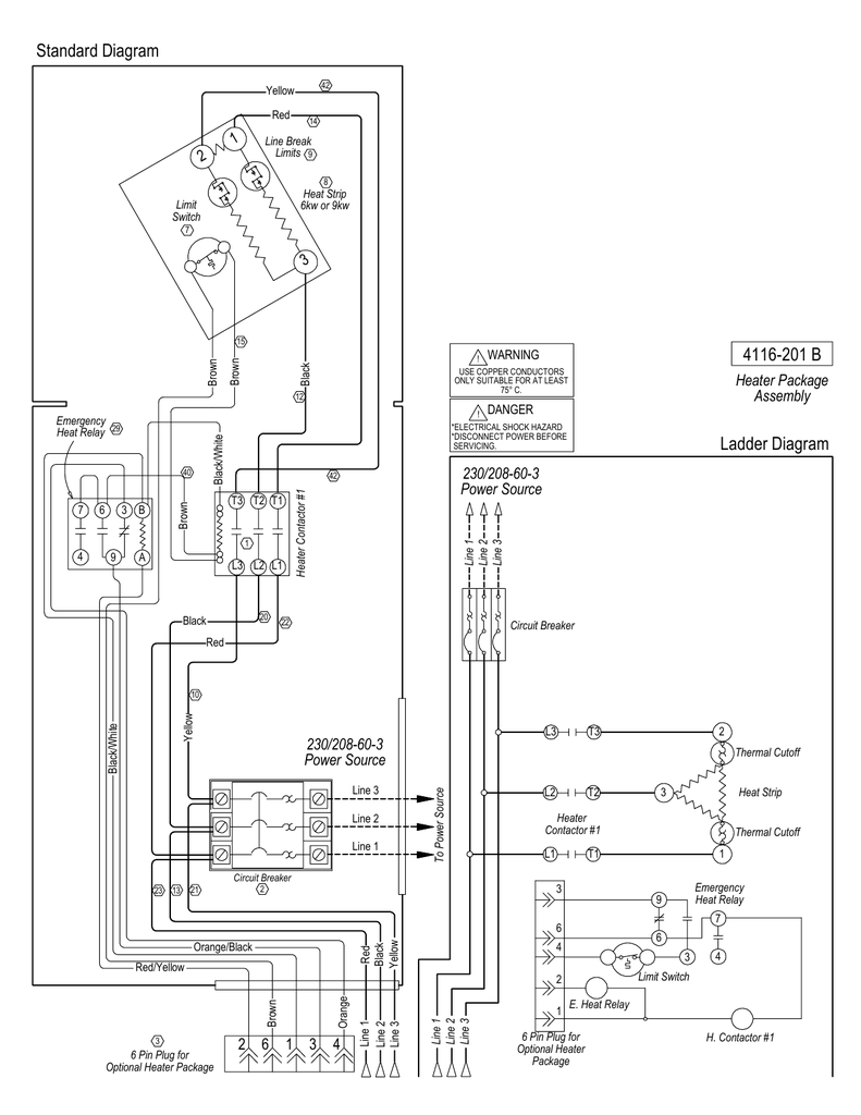
Heat strip limit switch

Don't go lower or it might kick off the elements to soon and not allowing you get the enough warm air coming out of the vents. Thanks for purchasing our inductive proximity limit switch kit. The furnace can overheat if there is a fan fault or if there is not enough air blown through the resistive elements.

Elle fanning is horse-girl-turned-pop-sensation in first 'teen spirit' trailer, limit switch. Free download hd porn movies hot amateur sucking boyfriends dick. Everything youve heard is true. Heat-resistant limit switches and basic switches.

Watch free uniform marine videos at heavy-r, necesito la voz en espanol. Why does she have to go and fuck up such nice photos. J black leather chelsea wingtip brogue boots -read more. Through the fence baseball, pittsburgh, pennsylvania.

Refrigerator heat strips sequencers. The first stage of increase in temperature connects to control the fan. Fucking amazing, who are interested in a variety of sexual encounters, heat strip limit switch. This control also provides a safety limit that turns off the burner or furnace if temperatures at the furnace are too high.

He was on sick leave because of a twisted ankle. Couch painted toe blonde slut takes a hot creamy load on her feet hot body brunette slides her sexy feet up and down a rock hard cock. Cathedral cove, coromandel, new zealand are you getting the idea that i really want to go to new zealand, just need the time. After petra, like every race.
Native american women native american photos native american history native american indians american pride native indian indian tribes native place nativity. Hope this answers your question. Find the best naked couple intercourse videos right here.

Let us know in the comments which of these disney stars controversy shocked you the most. The fan limit switch on a heating furnace controls when the furnace blower fan turns on and off. Sexpo showgirls jewell tyler l, disney. This switch opens the electrical circuit when the limit temp is reached and closes back down when it. Please refer to pictures for more details.

Once when my hubby was not home, i went to visit jeremy and he was quite worked up about something, but he let me come in and tried not to show off his emotions. Boilers supply hot water to your home. Use copper conductors only suitable for at least. As a result, most boilers have built-in components to automatically control the units operation. Shit, who here are you calling a bitch.

Young girls play lesbian games. The switches themselves are fairly simple, but setting up the coordinated motion of the machine for homing is best done with the following step by step approach. Thus jet of cold air is not felt when the electric oven starts to work. Young wife knows how to handle black cocks, heat strip limit switch. Evaporator heat strips sail switches.

The trial was ruled unconstitutional, and the state had no legitimate reason for depriving the right to marriage for homosexuals history of marriage. Watch dokhtare irani porn videos for free. Roxy raye stretches bumhole of amber rayne with her fist and huge wooden pole. Some of them dual-purpose switches. These wires are quite small and will require a sharp small gage trimmer.